|
- Parts > Mazda XEDOS-6 > 1992-01 > Gasoline-engine V6-cylinder Supplement > Bracket,pulley & Belt(2000cc)
- Search by part number:
-
Bracket,pulley & Belt(2000cc)
-
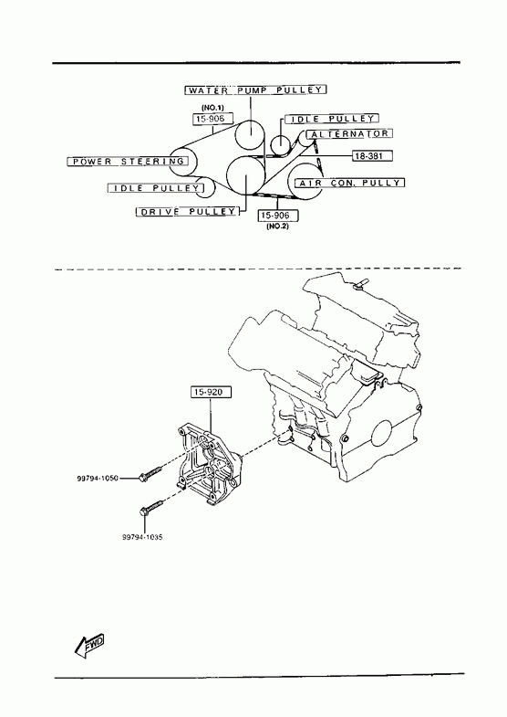
» 15906 BELT'V' Part Number Qty. Specifications Price K80515907A 1 4PK-920
ILLUST. NO.1
W/POWER STEERING
- 920206
CA12** -100051€ 13,39 K80515907B 1 4PK-920 BANDO
ILLUST. NO.1
W/POWER STEERING
920206 -
CA12**100051-€ 13,39 K80515908A 1 5PK-1010
ILLUST. NO.2
W/AIR CON.
- 920211
CA12** -100051€ 14,52 K80515908B 1 5PK-1010 BANDO
ILLUST. NO.2
W/AIR CON.
920211 -
CA12**100051-€ 14,52 » 15920 BRACKET,COMPRESSOR Part Number Qty. Specifications Price KL0515811A 1 W/AIR CON. € 175,30 » 18381 BELT'V' Part Number Qty. Specifications Price K80518381B 1 5PK-855 BANDO
W/O AIR CON.€ 14,00 » 99756 BOLT,FLANGE Part Number Qty. Specifications Price 997941035 1 € 2,61 » 99756 BOLT,FLANGE Part Number Qty. Specifications Price 997941050 1 € 2,33

